Фланцы DIN



Фланцы DIN


Основная информация

  • Стандарт: Немецкий промышленный стандарт (DIN)

  • Наличие: ✔ На складе и под заказ

  • Срок поставки: От 2 рабочих дней


Описание

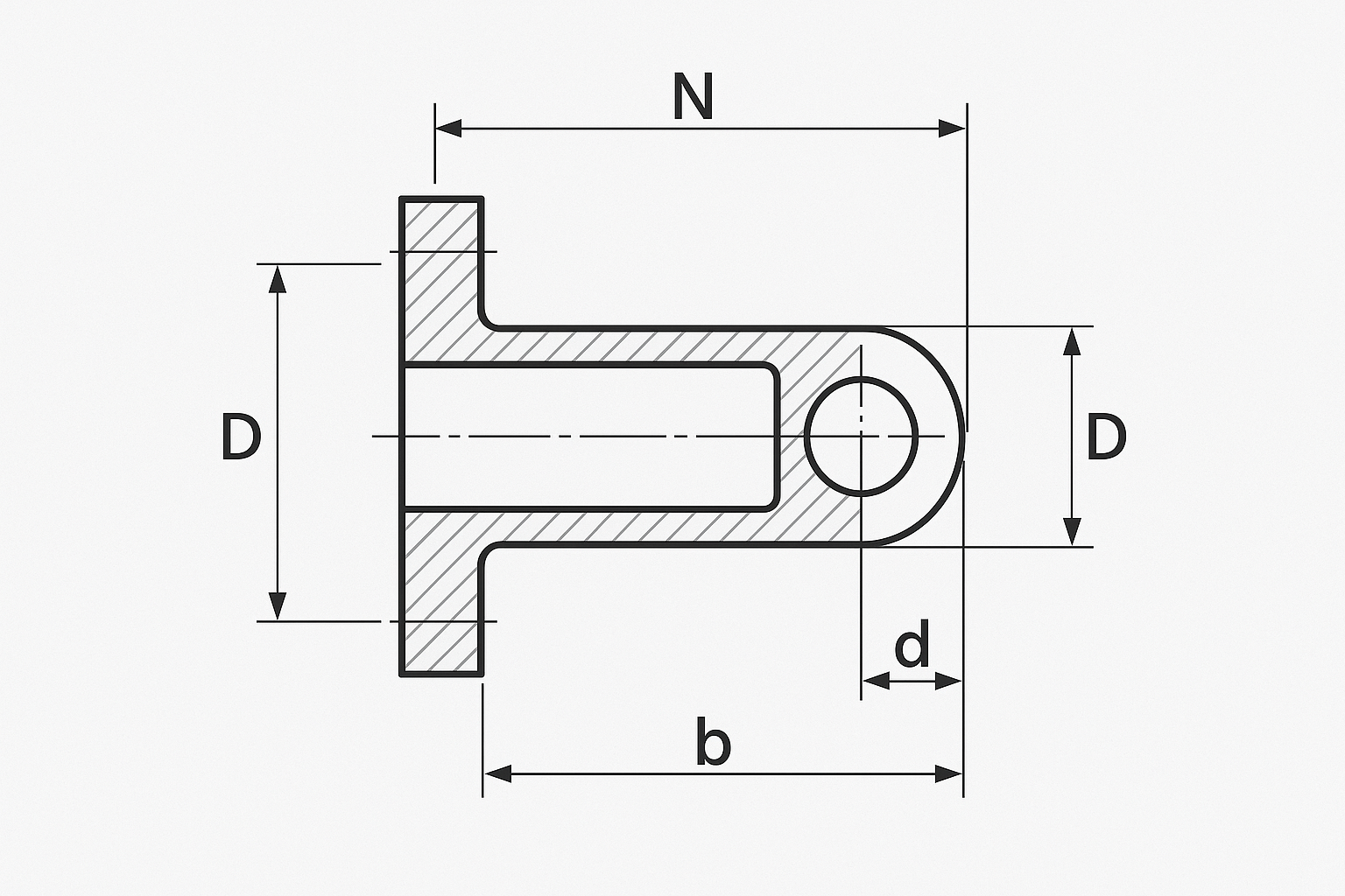
Фланцы DIN — это немецкий стандарт фланцевых соединений, характеризующийся высочайшим качеством изготовления и точностью размеров. Широко применяются в европейской промышленности и машиностроении.


Преимущества

  • ✅ Полное соответствие стандартам DIN

  • ✅ Высокая точность изготовления

  • ✅ Широкий диапазон размеров DN 10-DN 2000

  • ✅ Классы давления PN 6-PN 100

  • ✅ Различные материалы исполнения


Технические характеристики

 
ПараметрЗначение
Основные стандарты DIN 2527, 2573, 2576, 2627, 2637, 2641, 2642, 2655, 2656, 2673
Диапазон размеров DN 10 - DN 2000
Номинальное давление PN 6 - PN 100
Температурный диапазон -60°C до +600°C
Материалы Углеродистая, нержавеющая, легированная сталь
Исполнение поверхности B1 (гладкая), B2 (шип-паз), C1 (выступ-впадина), D (под линзовую прокладку)

Основные типы фланцев DIN

 
ТипСтандартОписание
Приварные встык DIN 2627-2638 Для высоких давлений и температур
Глухие DIN 2573, 2576 Для заглушения трубопроводов
Свободные DIN 2641, 2642 Для легкого монтажа/демонтажа
Резьбовые DIN 2655, 2656 Для бессварочных соединений
Фланцы с выступом DIN 2673 Для специальных применений

Области применения

  • 🔷 Химическая промышленность

  • 🔷 Энергетика и нефтегазовая отрасль

  • 🔷 Водоснабжение и канализация

  • 🔷 Пищевая промышленность

  • 🔷 Судостроение и машиностроение

  • 🔷 Фармацевтическая промышленность


Материалы исполнения

  • 1.0402 (C22.8) — Углеродистая сталь

  • 1.4301 (AISI 304) — Нержавеющая сталь

  • 1.4401 (AISI 316) — Кислотостойкая сталь

  • 1.4541 (AISI 321) — Жаростойкая сталь

  • 1.0460 (C25.4) — Конструкционная сталь


Условия поставки

  • 🚚 Доставка по России и СНГ

  • 📦 Отслеживание груза в личном кабинете

  • 🌍 ВЭД и логистика под ключ

  • 📄 Сертификаты DIN 10204 3.1/3.2

  • 💰 Конкурентные цены от производителя


Дополнительные услуги

  • Подбор аналогов ГОСТ-DIN

  • Согласование технической документации

  • Таможенное оформление

  • Поставка комплектующих

  • Техническая поддержка 24/7


Контроль качества

  • Визуальный контроль поверхности

  • Измерение геометрических параметров

  • Контроль твердости материала

  • Ультразвуковой контроль сварных швов

  • Испытания на герметичность


📞 Бесплатная консультация инженера-технолога!
💻 Полный каталог с техническими характеристиками!
⚡ Срочные поставки под ваш проект!